用途GSK系列液位自动控制器应用于炼油、化工、造纸、治金、电力、食品、生活用水及污水处理等企业。
结构原理本控制器以大功率干簧管作为主要控制元件,当浮球随液位变化上下移动时,干簧管的触点发生变化,即常闭触点断开,常开触点闭合,从而控制相关设备的开或停,达到控制液位的目的。
结构原理

技术参数
产品执行标准:Q/3206216101-1997
测量范围:≤2m
S型:≤1.5m
Gx型:≤12m
G(B)型、F(B)型:
工作条件介质温度:-5~+45℃
S型-40~+80℃(高+120℃)
GB型、F型-40~+80℃(高+120℃)
工作环境温度:-5~+45C
S型-10~+45℃
G型、F型0~-+45C
B型:
工作压力:0.6MPa
G型0.25MPa
F型 常压
S型
被测介质比重:>0.7
被测介质粘度:<1.255t
干簧管触点容量:阻性负载220V1A
防爆性能
防爆类型:隔爆型(只有GB、FB)
防爆标志:dIBT4
性能及用途

安装形式

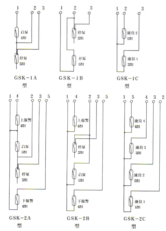
接线及控制方式
本控制器触点可直接控制交流220V,20A以下交流接触器,但最好经交流220V中间继电器转换。


法兰、立管、浮球等安装件规格尺寸表
说明GSK-系列总长度=(L+200),其中L1、L2分别不能小于100mm表中密封法兰尺寸一项括号内所标的数字指标防爆型的尺寸数据。防爆型的工作压力位IMpa(防爆型以“B”表示)
工作压力>0.25Mpo时,安装法兰为同标准的相应压力等级的法兰。
由于运输时受长度限制,传感器总长度超过2M左右时,分成若干段,每段2M。安装时由用户自行焊接,焊接后须将燡缝矬平整,并做水压试验(Pg<-0.6Mpa=,不漏方可使用。F型的传感器,还需将随来的整根F46外套管套并固定。
表中所标液位测量高度H为系列尺寸,用户可根据自己设计要求而定制各种尺寸,但订货时须写明。超过以上长度的,用户可与我公司联系。
Gx型的安装法兰直接焊接在不锈钢管上,法兰为特殊规格。
安装注意事项
传感器应垂直安装和接地。G型、GB型
配了安装法兰的传感器应先在管子上做上原上下档圈位置的记号,然后将下档圈、浮球(注意浮球的上下面)、上当圏一次卸下,将法兰推至接线盒下部,再将上档圈、浮球、下档圈照原样依装上并固定好。将法兰的压紧螺帽拧紧。上下档圈的螺丝要拧紧,以防漻球滑落。
未配法兰,而用支架或其它方式安装的用户,其固定部位应高于上档圈和低于下档圏。在安装时,要使浮球在上下档圈之间能自由浮动,这段距离实际上就是您所需要的最高位和最低位,即“H”的距离(或为高低报警位置),否则,传感器信号就无法输出。
S型
塑料传感器请轻拿轻放,因材质是塑料的。配了法兰的传感器,请打开接线盒盖,将固定“T型的支架的两只螺丝拧开,小心平行的子抽出(请小心,因胶带里面裹的是干簧管,易裂),将铝接线盒拧下,将安装法兰套在管子上,(浮球不要动),再将铝接线盒拧上(注意:不要用力过猛,稍紧就行),将子仍小心平行式地推进管内,将“T”型支架固定好。
将传感器小心地垂直放到容器上(注意:浮球不要一下子滑落到最下边,以防损坏底封),将塑料法兰和你的下法兰对应放好并固定好,将法兰的压紧螺丝帽拧紧。
未配法兰,而用支架或其它方式安装的用户其固定部位要高于管子上的限记号线和低于下限记号线。否则,信号无法输出。
F型、FB型
配了法兰的传感器,需将防腐套管上方的紧固件,将钢管插进防腐套管内,将紧固件的螺丝拧紧。安装时,注意浮球不要一下子滑落到最下边以防损坏防腐套管的底封。防爆型产品的安装、使用及维修应严格按照《中华人民共和国爆炸危险场所电器安全规程》(试行)的规定执行,传感器内外接地应可靠,电缆引入装置的密封圈应定期检查,发现有老化现象应及时更换。注意隔爆面,不得损坏。传感器维修时,应先切断电源,方能开盖。
订货须知
写明控制器的型号、规格及所需数量;写明控制器的材质、工作介质、温度、压力、是否带安装法兰;
写明控制器的尺寸:H=L1=L2=
非标准特殊规格,用户可根据实际需要另行商。
GSK系列液位自动控制器
GSK系列自动控制器主要用于抽水、排污、自动给水和液位显示、控制、报警等场合。以JAC-5型大功率干簧管作为主要控制元件,可直接控制交流200V、20A以下的交流接触器。当浮球随液位变化上下浮动时,干簧管的触点发生变化,即常闭触点断,常开触点闭合,从而控制水泵的开和停,达到控制液位的目的。